




從用戶出發,準確的設計定位,清晰的設計思路,高效的設計
溝通,優良的設計品質都是我們追求的設計效果。對于
我們而言,與客戶保持良好的溝通是必要的手段與方式,這樣
我們也將時刻了解客戶的產品品牌理念,同時也會不斷完善我
們的產品設計方案。
產品落地至關重要的環節,優秀的結構設計需要對產品材料、
工藝、成型、裝配等有深入了解,并且需要充分考慮如何降低
成本、降低開發風險、使產品易于使用、方便維護。
無論多么絢麗的效果圖,如果生產加工環節出問題,前期的一切工作都會付之東流。
千策良品擁有一流的供應商資源,無論是工廠經驗,還是工廠設備,都能夠為設計圖
紙產品化提供可靠保障。
需要通過對空調系統進行節能及優化改造,以降低機房空調能耗,提高系統運行安全性及穩定性。
有固定數十人的維修安裝技術團隊,隨時待命為您提供產品的現場安裝、技術指導安裝和售后維修服務。
對各地的服務網點的工作進行監督和管理;接受客戶的投訴并進行跟蹤處理,直至令客戶滿意為止。
自主品牌-鵬鯤



做中央空調行業的“蘇寧易購”,讓您暢享一站式采購的便捷與優惠。
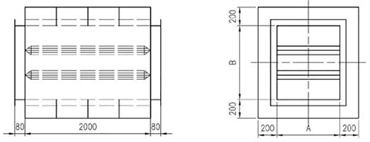
WX型微孔板消聲器為雙腔式結構,吸收頻帶寬,對各頻帶消聲量都較平直,消聲量大,特別對低頻部分消聲效果明顯,優于采用纖維性吸聲材料結構的阻抗復合式消聲器。 本系列消聲器接管法蘭口徑按全國通用通風管道規格(方形、矩形、圓形)構成相應的配套系列。有效長度一般為2000mm。也可以根據用戶要求生產,根據消聲量的要求,可在中間串接若干段,消聲器流速一般≤15m/s 為宜。 WX型微孔板消聲器結構示意圖 WX型微孔板消聲器性能規格表 注: 1、若需要更大規格的消聲器,可按國家標準風管所列法蘭尺寸設計制造; 2、鍍鋅鋼板風管法蘭寬度按2002 年規范制作,玻鎂風管法蘭管度按50mm制作; 3、為了同用戶的安裝尺寸保持一致,若用戶沒有注明,法蘭不打孔。 WX 型微孔板消聲器性能規格表 






靜壓箱是在通風、空調系統中必不可少的空調配件,它與風口或散流器配套使用,能消除出風口處的氣流噪聲,在系統中配置靜壓箱,可增加系統的靜壓,靜壓箱選型,穩定氣流,是氣流組織更趨于合理,達到理想的空調效果。

T701-6型阻抗復合式消聲器系列是較早空調通風系統配用的消聲器系列。 T701-6系列共有十種大小不同規格,一般適用風量2000~30000 m3/h,風速為6m/s,外形斷面尺寸為800(寬)×500(高)~2000(寬)×1800(高),其中1# ~ 4# 消聲器長度為1.6m

WX型微孔板消聲器為雙腔式結構,吸收頻帶寬,對各頻帶消聲量都較平直,消聲量大,特別對低頻部分消聲效果明顯,優于采用纖維性吸聲材料結構的阻抗復合式消聲器。

ZP100型消聲器系列是在國家通用圖集T701-6消聲器的基礎上,吸收了國內外最新技術,設計的新產品,是國家建筑標準設計圖集通用產品。標準號為97T710。

ZG型阻性管式消聲器一般安裝在風機進堯出風口,用于降低風機運行時的噪聲。消聲器為阻性消聲器,分為圓形和方形兩種,內壁用鍍鋅穿孔板制作,夾層填超細玻璃棉作吸聲材料

ZKS折板式消聲器是經改良的一種片式阻性消聲器,吸音片呈折板狀,增加了聲波的反射次數,使得消聲性能提高,該消聲器采用玻璃棉作吸音材料,鍍鋅穿孔板和超細玻璃棉布為護板,管道有效通道比較大,壓力損失小,是一種性能優良的消聲器。

消聲靜壓箱是在通風、空調系統中必不可少的空調配件,它與風口或散流器配套使用,能消除出風口處的氣流噪聲,在系統中配置靜壓箱,可增加系統的靜壓,靜壓箱選型,穩定氣流,是氣流組織更趨于合理,達到理想的空調效果。